三州電機株式会社
ご要望に適う各種トランス必ずあります
ご要望に適う各種トランス必ずあります
トランス製品情報お問い合わせダウンロードレーザー彫刻加工会社概要
<<戻る
ご要望に適う各種トランス必ずあります。
様々な用途に合わせてご案内させていただきますので、お気軽にお問い合わせて下さい。
トランス製品情報TOP SAC型 カットコアートランス縦型 SBC型 カットコアートランス横型 SCC型 カットコアートランス横型 YDC型 ケース入りコアートランス SRC型 R-カットコアートランス SWC型 カットコアー2個使用トランス縦型 SEB/SPB型 EIコアー少容量トランス SEH型 EIコアートランス
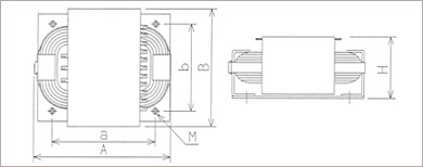
◇SRC型 Rカット コアトランス
●それまでのトランスの常識を超えた優れた方式です。周辺機器および回路に障害を及ぼす漏洩磁束をEI型の1/10以下、カットコアー型の1/5に抑えています。また無負荷電流も極めて少なく、薄型で軽量(従来型同仕様比40%以上の軽量化)です。
●用途:コンピュータ、同端末機器、CRTディスプレイ、複写機、ファクシミリ、医療機器、計測機器、オーディオ機器、ビデオ機器、電源機器等。
※三面図をクリックすると拡大表示されます。
お問い合わせ