三州電機株式会社
ご要望に適う各種トランス必ずあります
ご要望に適う各種トランス必ずあります
トランス製品情報お問い合わせダウンロードレーザー彫刻加工会社概要
<<戻る
ご要望に適う各種トランス必ずあります。
様々な用途に合わせてご案内させていただきますので、お気軽にお問い合わせて下さい。
トランス製品情報TOP SAC型 カットコアートランス縦型 SBC型 カットコアートランス横型 SCC型 カットコアートランス横型 YDC型 ケース入りコアートランス SRC型 R-カットコアートランス SWC型 カットコアー2個使用トランス縦型 SEB/SPB型 EIコアー少容量トランス SEH型 EIコアートランス
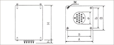
◇YDC型 ケース入りトランス
●ケースにセットしたコアートランスです。
●用途:リーケージフラックスが問題となる電子機器の電源トランス等に向いています。
※三面図をクリックすると拡大表示されます。
お問い合わせ